|
SERRURERIE -VITRERIE - FESTONNAGE CHIARETTO DOMINIQUE Protection contre le vol 19 Avenue, du chemin de fer 95220 HERBLAY Tel: 01.39.78.94.18 Portable: 06.88.10.97.21 Tel Free: 09 52 30 94 18 Fax: 01 76 50 61 92
|
Crémones et serrures Ferco - GU
|
|
|
Vous recherchez une serrure ou une Gâche FERCO ou GU Envoyez nous par mail les dimensions et renseignements nous la trouverons pour vous: Sachez qu'un certain nombres de modèles ne se fabrique plus, mais pas de panique il y a toujours un modèle de remplacement ou ajustable. La marque FERCO propose un très grand nombre de modèles, c'est pourquoi nous ne les stockons pas tous. Si vous le désirez, déposer nous votre serrure afin que nous l'identifions et commandions le même modèle ou sa remplaçante, ou si vous êtes trop loin de chez nous par mail en remplissant le tableau à la fin de cette page Pour les serrures ajustables ont peut vous les ajuster à votre ancienne serrure dans notre atelier. Apportez nous votre vieille serrure nous vous ajusterons la nouvelle aux dimensions de la vôtre.
Hauteur total en fond de feuillure = Hauteur de poignée ou côte D = Largeur de têtière = Nombre de galet = |
|||||||||||||
| Anciennes références Ferco - GU | Serrure de remplacement Ferco - GU |
Pour info: réf 528 = axe a 28mm et réf 635 = axe à 35mm |
|||||||||||
|
Serrure 3
points de porte d'entrée Ferco DÉCENA dont la Ref. est 58716
cette serrure n'existe plus nous avons un modèle de remplacement en stock contacter nous |
E.18377.09 40/70 et E.18568 | ||||||||||||
| GU (FERCO) de crémone à galet 2 points de
sécurité pour porte d'entrée Référence: E 04258 mécanisme à relevage poignée Têtière 18 mm de large. axe à 50 mm Autre référence: E 04215 |
cette serrure n'existe plus mais nous avons un modèle de remplacement en stock contactez nous par mail de préférence remplissant le tableau à la fin de cette page |
||||||||||||
|
crémone Ferco axe est a 35mm l'entraxe a 70mm et le boîtier 150mm sur 50mm 4 galets Sans demi tour |
cette serrure n'existe plus mais nous avons un modèle de remplacement en
stock contactez nous par mail de préférence remplissant le tableau à la
fin de cette page G-22726-22-0-1 |
||||||||||||
| crémone de porte d'entrée axe à 40 ou 50 mm 14659 12 | cette serrure n'existe plus mais nous avons un modèle de remplacement en stock contactez nous par mail de préférence remplissant le tableau à la fin de cette page c'est la Trimatic | ||||||||||||
|
La référence est : E12305 |
Cette poignée n’existe plus et n’a pas été remplacée. Il faut changer la crémone pour y monter une crémone F7.5 et remplacée la poignée à fourche par une poignée à carré (standard).
|
||||||||||||
|
crémone de
fenêtre OB G-12 400 070 cette crémone a été supprimé sans remplacement |
|||||||||||||
|
Poignée "Spacio" G-46554-00-L/R-1 FABRICATION ARRÊTÉE DEPUIS LE 09-10-2014 Il reste des pièces en stock pour permettre d’éventuels remplacements ? Merci de nous interroger lors de demandes de vos clients. Dès connaissance du nouveau programme, nous ne manquerons de revenir vers vous pour vous en informer. Cordialement. Guillebault Michel Agent Technico-Commercial |
|||||||||||||
|
Noir 9005 G.46552.00.R 6 ArgentG.46552.00.0.R1 BlancG.46552.00.0.R7T Réf. G-46552-96-R/L ( 96 c'est la longueur de poignée)
Pour ouvrants à la française à 2 vantaux. Entraxes
de fixation : 84 et 98 mm. Référence : G-46552-00. Les poignées gauches
sont obtenues en remplaçant dans la poignée droite les fourches par les
pièces contenues dans le sachet crémaillère.
Gauche. Entraxes de fixation : 84 et 98 mm.
Référence : G-46550-00.
|
Poignée de porte fenêtre aluminium couleur champagne , portant le logo GU avec un chevron, et la référence GU 6.24992
|
Cette poignée à été supprimée. nous avons une solution de remplacement
|
![]() |
Existe aussi en Poignée à Clé G-46554-00-R-1 = n'existe plus
Kit transformation main gauche pour SPACIO = n'existe plus |
|||||||||
|
Poignée à fourche Spacio pour menuiserie ALU. Le poignée Spacio à été supprimée et donc n'existe plus. sauf qu'il nous reste 8 colorie Argent
Sinon nous avons une solution de remplacement La référence E 14705 est un composant de cette poignée. Pour un éventuel remplacement, il faut prévoir une poignée SPACIO dont la référence est à déterminer selon : · Longueur de la fourche : 22 mm ou 33 mm ? · Entraxe de fixation : 84, 96, 98 ou 104 mm ? Voir notre doc ci contre, chapitre Oscillo-battant, Ferrure JET AK8.
|
![]() |
![]() |
Colorie : noir 9005 blanc
|
||||||||||
|
|
8 poignées Spacio double fourche de disponible en colorie Argent 46552-96-R-1 argent |
ArgentPoignée Ferco Spacio gauche Réf: G-46552-00-L-1 2 fourches -
pa 92,16€
TTC
|
|||||||||||
![]() |
poignée droite à deux fourches GU ,pour menuiserie Alu
. références des fourches : E 11614 R et 11615 R
. longueur des fourches : 22 mm
. entraxe de fixation : 96 mm
Nous avons le regret de vous informer que nous n’avons plus aucun stock résiduel de ces produits ! Le programme SPACIO est arrêté et n’est pas remplacé à ce jour !
nous avons une solution de remplacement avec les modèle ci dessous
|
||||||||||||
![]() ![]()
Paire de raccords polyamide. |
pv 2018 + 128€ TTC + PORT | ||||||||||||
|
DESCRIPTIF PRODUITEntraxe de fixation : 84/92/98 et 104 mm. coloris Gris alu RAL 9006 Alu Blanc RAL 9010 Noir RAL 9005
|
![]()
Entraxe de fixation : 84/92/98 et 104 mm.
Crémone pour ouvrant à la française droite ou gauche. Saillie : 63 mm. Hauteur boitier : 122 mm. Largeur boitier : 31 mm.
coloris
Gris alu RAL 9006
Alu
Blanc RAL
9010
Noir RAL 9005
Attention Modèle uniquement à 1 fouche PV 88€ ttc + port / page 642 |
||||||||||||
|
on peu remplacer par un autre modèle |
Poignée de fenêtre, crémone à double fourche pour la fermeture des fenêtres battantes, pour toutes les marques de fenêtres. Uniquement en couleur anodisé argent (couleur alu). Existe en simple fourche sur commande Poignée deux fourches pour les fenêtres à la française. Dimensions extérieures des fourches 81 mm, hauteur poignée 118 mm et 186 mm Cette poignée pour fenêtre battante est de marque SAMU Elle peut aussi s'adapter sur certaines marques : Technal, Paal, Wicona, Sapa, Sepa Alumic, ,Aluvar, Intexalu, Vial, Franciaflex, Fpee, Schuco, Kine, K-line, Leroy Merlin, Castorama, Reynaers, Intallux, Savio, Seten, Fapim |
||||||||||||
![]() |
Dimensions platine 140 mm largeur 18 mm entre axe trous de fixation 120 mm cette crémone n'existe plus ttc (2015) |
||||||||||||
|
La crémone ALUNION Peut être remplacer par celle ci ....
|
1Tarif foufou sur commande CREMONE 517/D.F1 TR11337531 16.09 ht Ref : 00517102 2 CREMONE 517/DOUBL+SERRURE F1 MMCLE608 TR11337535 48.19 ht Ref : 00517192 3 CREMONE 518/DOUBLE F1 TR11337538 17.46 ht Ref : 00518102 4 CREMONE 518/DOUBLE + SERRURE F1 TR11337540 51.92 ht Ref : 00518192 PV 128€ttc |
||||||||||||
![]() |
Crémones pour châssis aluminium
Modèle borgne à fixation invisible extérieure
|
||||||||||||
![]() |
![]() Descriptif • Pour fenêtres à simple ou 2 ouvrants
Cette poignée pour fenêtre battante est de marque SAMU
|
voir CGFouFAILLE foufou
• Pour fenêtres à simple ou 2 ouvrants |
|||||||||||
|
TRIPACT S2 Crémone serrure Cette serrure n'existe plus
|
La Tripact S2 T20 ou T16 en F 50 c'était la G-20989 Fabrication arrêter remplacée par un autre modèle avec quelques adaptations existe en Têtière de 16 ou 20 mm l' EUROPA S2 T20 6-33524-05-
0-1. (prévoir quelques modifications sur la porte, il faut entailler sur toute la hauteur la nouvelle tringlerie qui n'est plus perpendiculaire mais parallèle à la têtière
et percé la gâche pour le pêne
dormant
Tarif 2012 = 280 euros
ttc délai 15 jours /3 semaines
|
||||||||||||
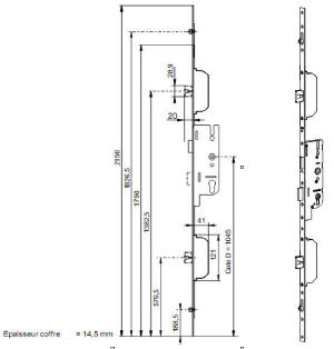
![]() Fercomatic R2 ou R4 G-18375-21 ou 18473-21 ou 18747-21 ou 19361-21 GU 18375 40/70 cote D 1045mm ou 50/70 |
Fercomatic R2 ou R4 G-18375-21 cette serrure n'existe plus mais nous avons un modèle de remplacement en stock contactez nous par mail de préférence remplissant le tableau à la fin de cette page cette serrure n'existe plus elle est remplacée par la fercomatic R2 ou R4 http://dominique.chiaretto.free.fr/fercomatic.htm
|
||||||||||||
![]() GU 18568 40/70
E 18568
E 18377-09
E 18391-21
18747
Cette serrure n'existe plus |
cette serrure n'existe plus mais nous avons un modèle de remplacement en stock contactez nous par mail de préférence en remplissant le tableau à la fin de cette page Attention têtière de 16 ou 18mm
sur porte en pvc remplacée par la matic R2/4 et déplacer les gâches galets et remplacée la gâche centrale matic R2/4 et de l'adapter ou coupez la partie haute et basse et les ressouder à la bonne distance pour ajuster les galets
|
||||||||||||
|
GU G18874 40/70
cote D 1045mm têtière de 16
|
cette serrure n'existe plus mais nous avons un modèle de remplacement en stock contactez nous par mail de préférence remplissant le tableau à la fin de cette page cette serrure n'existe plus elle est remplacée par la
|
||||||||||||
|
GU G18870 40/70 cote D 1045mm têtière de 16mm et aussi la G18730 et E-18377-09. E2057921 GU 18377.11 - G-18570 Cette serrure n'existe plus
|
cette serrure n'existe plus mais nous avons un modèle de remplacement en stock contactez nous par mail de préférence remplissant le tableau à la fin de cette page Je confirme aussi qu'il faut changer l'ensemble de la serrure c'est a dire le coffre centrale et la tringlerie, le nouveau modèle ne se monte pas sur l'ancienne tringlerie. Voir le plant ci-dessous si les galets sont a la mêmes place que les vôtres.
cette serrure n'existe plus elle est remplacée par la
Les galets sont en principe à la même place au cas ou il n'y serait pas sur du pvc on peu déplacer facilement les gache, sur une porte en bois on peu coupé et ressoudé le coffre sur l'ancienne pour mettre les galets à la même place ou il faudra déplacer les gâches galets. et entailler la mortaise de la serrure pour faire passer le coffre sur la partie basse et peu être changer la gâche si elle ne convient plus
Les côtes en rouge sont prévus pour être coupés et y ajouter des prolongateurs, des sortie de tringles, des inverseurs, ou renvois d'angle |
||||||||||||
|
Cette serrure G20578 25 JB1
n'existe plus apparemment posé sur des portes Lapeyre on peut éventuellement la remplacer par le modèle ci- dessus mais les galets ne sont pas a la même place donc soit il faut déplacer les gâches galet soit couper et ressouder la tringlerie sur le nouveau coffre |
|||||||||||||
serrure 3 points Ferco GU 28/92
|
|||||||||||||
![]()
Serrure 3 points GU Distance entre les 2 galets est de 1638 mm, que celle du pêne au galet supérieur est de 740 mm, que celle du pêne au galet inférieur est de 895 mm, Cette serrure n'existe plus mais il existe une serrure de remplacement ajustable, et les tringles haute et basse sont ajustables de façon à mettre les galets bien à leur place
Nous avons cette crémone en stock
Si vous venez sur place apportez l'ancienne on vous ajustera la nouvelle serrure et vous n'aurez plus qu'a la poser
Sinon elle est livré avec une notice explicative
il y a les deux longueurs a couper aux bonnes dimensions c'est tout.
Attention il est indiquer 50/72 sur le coffre la norme actuel est 50 /70 il y donc 2 mm de différence d'entraxe
largeur de la têtière 16 ou 18 mm ?
|
|||||||||||||
|
serrure pour porte d'entrée bois et PVC G-20761-00-0-1 70/40 - 7 Secury n'existe plus remplacer par celle ci dessous G20770-21-0 sur commande délai 3 semaines prix ttc 2015 245.00 euros + port
|
|||||||||||||
Serrure de porte fermière G-18570 cette serrure n'existe plus mais peu être remplacer par un autre modèlePour porte en 2 parties, béquille et barillet sur la partie haute. |
|||||||||||||
|
Gimm 3 points S 3030 10-87 ou S 3013 A serrure avec 3 pênes demi tour et 1 pêne dormant , têtière de 18 mm axe à 50 entraxe 70 mm
Cette serrure n'existe plus mais nous avons un modèle en têtière de 18 mm axe à 50 entraxe 70 mm qui peut ce monter à la place avec 3 pênes dormants et un pêne demi tour Fouillot, carré de 7 mm Coffre central acier zingué bichromaté : 148 x 78 x 14 mm.
Avec quelques modifications il faudra entailler un peu les coffres et peut être remplacer les gâches
|
|||||||||||||
partie central penne intermédiaire forme demi tourGIMM S 3030 03 - 88 ou S 3013 A |
GIMM S 3030 ou S 3013 A Voici la réponse de Gimm Crémone S3030 plus disponible chez Gimm
|
||||||||||||
|
Cette serrure n'existe plus mais peut être remplacé par celle-ci a droite (Nature de l'ouvrant (bois, pvc, alu) = BOIS |
![]() vous pouvez la remplacer pare celle ci |
||||||||||||
|
Serrure pour portillon dans porte de garage sectionnelle cette serrure
n'existe plus depuis 2007 mais on peu encore avoir des coffres Ferco références de la serrure et de la porte :serrure FERCO SECURY 5 points - 6-30845-W---R ou B RI 0208AHF ( référence pas lisible) Porte : GYPASS - Gamme ACTIVA Classic - Année 2007
on peu avoir le coffre entier le prix du coffre est 180 euros ttc + 25.00 euros de port SURETE 2000-yoann0652142965-0235707777
|
|||||||||||||
|
Crémone 4 galet axe à 35 mm entre axe 92 mm cote D 1045 Longueur maxi 2285mm GU E-16619 inscrit derrière 16 78815 |
on peu avoir cette serrure sur commande europa r4Fous-p390 | ||||||||||||
|
Porte Fermière c'est deux crémones n'existe plus mais nous nous avons un modèle ajustable en stock ( le galet fixe à été supprimé) |
|||||||||||||
Partie basse
partie haute![]() |
|||||||||||||
|
|
cette serrure a panneton n'existe plus mais nous avons un modèle de remplacement avec quelques modifications contactez nous par mail de préférence Sur têtière : FERCO 025 au niveau du boîtier, 11510.25 plus haut. - Sur tringle haute : 11513.25 - Sur tringle basse : 11512.10 - Dimension boîtier 198 X 38 X 14 mm - un panneton ou langue - Sans galet - Cote D : 980 mm ou 1028mm - Têtière de 16 mm - Axe à 25 mm existe aussi en 28 et 35mm crémone FERCO 6.35
Attention cette crémone n'existe pas chez Ferco en axe a 25mm il faut prendre 2 crem une axe 28 en 1028 + une en axe 25 en 980 et intervertir les coffres Il vous faut la remplacée par un modèle ajustable en axe à 25 mm avec pêne demi tour a la place
il faudra modifier la Gâche
Crémone à barillet F25/70 |
||||||||||||
les serrures à barillet à pannetons n'existe plus les pannetons sont remplacer par un pêne demi tour. Nous donner la Hauteur de poignée 980mm ou 1028 mm + la hauteur total de la serrure ainsi que l'axe du fouillot |
|||||||||||||
Il existe deux solutions laquelle préférez vous ? |
|||||||||||||
| Soit une serrure ajustable en hauteur avec un prolongateur en axe a 28 au lieu de 25mm il faudra déplacer les trous de 3 mm c'est largement faisable | Soit une serrure ajustable en haut et en bas avec un prolongateur en axe a 25mm Il faudra supprimer les deux galets | ||||||||||||
![]() |
|
||||||||||||
|
crémone A-00141-16-0-3 |
la réponse de Ferco Produit supprimé sans remplacement.Eric SZEFER
on peu le remplacée par celle ci
|
||||||||||||
|
Crémone pour porte en PVC avec 2 ou 4 galets avec têtière débordante g-15775 f 28
La référence de remplacement est crémone à barillet : G-22671-22-0-1page 385R2R4
|
cette serrure n'existe plus elle est remplacée par un autre modèle le débordement n'existe plus |
||||||||||||
![]() |
Cette ferrure n’existe plus au programme Ferco depuis très longtemps. · GU939 : Crémone GU 6-31513-44-0-1 pour fenêtre bois coulissante axe 28 mm soulevant coulissant Il n’y a pas de ferrure de remplacement |
||||||||||||
|
G-11168-37 crémone de fenêtre PVC à double
vantaux
|
La crémone G-11168-37 (D.460) n’existe plus à notre programme depuis de très nombreuses années !
Pour un éventuel remplacement, il faut connaître la hauteur Fond de feuillure de la fenêtre ? (Ou longueur totale de la ferrure : Crémone + prolongateur) A réception de cette information, je serai en mesure de vous communiquer le détail ferrage nécessaire.
|
||||||||||||
|
1 crémone Ferco Ref : GU435-00-1 fenêtre bois 1 vantail à la française axe à 35mm 2 galets têtière de 16 mm Longueur total 1800 cote D 900 FERCO 435 |
cette serrure existe toujours sur commande spéciale A-02683-18-0-1 |
||||||||||||
|
G-11841-22 528 |
cette serrure n'existe plus mais nous avons un modèle de remplacement en stock contactez nous par mail de préférence remplissant le tableau à la fin de cette page |
||||||||||||
|
serrure 4 points 6-32298-RR-A 40/70-7 D 1045 Longueur total 2110 Têtière de 16 mm |
cette serrure n'existe plus mais nous avons un modèle de remplacement en stock contactez nous par mail de préférence remplissant le tableau à la fin de cette page
Cette serrure est un produit spécifique, réservé à un client. Il est possible de la remplacée par la référence 6-33162-01-0-1 mais les rouleaux de verrouillages ne sont pas au mêmes positions. remplacée uniquement le coffre par une Europa R4 6-333-62-01-0-1 code 094 668
|
||||||||||||
|
15789-09 635 G-21226 21 |
cette serrure n'existe plus mais nous avons un modèle de remplacement en stock contactez nous par mail de préférence remplissant le tableau à la fin de cette page |
||||||||||||
|
serrure de porte-fenêtre Ferco 428 |
cette crémone n'existe plus mais nous avons un modèle de remplacement en stock contactez nous par mail de préférence remplissant le tableau à la fin de cette page. | ||||||||||||
| crémone f15 ajustable haute et basse référence E 20090 et E 20088 | cette crémone existe toujours en stock chez nous | ||||||||||||
|
crémone f15 ajustable
13797.13 |
cette crémone existe toujours en stock chez nous | ||||||||||||
|
La crémone à inverseur F15 cote D fixe Recoupable G-13797.12 cote D 400mm FFH1100-1350 |
cette crémone n'existe plus mais nous avons un modèle de remplacement en stock contactez nous par mail de préférence remplissant le tableau à la fin de cette page. sûrement une fabrication spécial pour un fabricant de fenêtre remplacée par G-11168-61-4-1 et couper et souder la partie haute pour ajusté le galet haut a la bonne place montant 120 + 50 euros de soudure = 170 euros |
||||||||||||
|
crémone pour fenêtre pvc GU F7.5 ref; G-13 237-12 FFH 1101-1225 (existe toujours) D 500 crémone pour fenêtre pvc GU F7.5 ref; G-13 237-13 FFH 1226-1350 (existe toujours) D 500 crémone pour fenêtre pvc f7.5 cote D 600 fixe Recoupable G-13 237-16 FFH 1476-1600 crémone pour fenêtre pvc GU ref; FFH1601-1725 13 237.17
13 237-20 cote D 980 fixe FFH1501-1975
crémone pour fenêtre pvc f 7,5 cote D 980 fixe Recoupable G-13237-21 FFH 1850-2100 cette crémone existe toujours mais peu être remplacée par une ajustable + 1 prolongateur cote D 980 |
existe toujours | ||||||||||||
|
crémone 7.5 G-13237-23 D980 cote D fixe Recoupable 2100-2350 cette crémone existe toujours ma |
|||||||||||||
|
la crémone Ferco G-15750-10-0-3 D500 L 1030 |
cette crémone n'existe plus mais nous avons un modèle de remplacement en stock contactez nous par mail de préférence remplissant le tableau à la fin de cette page.
Cette crémone est remplacé par : G-22063-00-0-1 |
||||||||||||
|
la crémone Ferco G-15750-18-0-3 D980 L 1780 |
cette crémone n'existe plus mais nous avons un modèle de remplacement en stock contactez nous par mail de préférence remplissant le tableau à la fin de cette page remplacer par 22072-00-0-1 |
||||||||||||
|
la crémone GU G-15722.11 FFH 850 – 1100 D 400 - 1 galet |
cette crémone n'existe plus mais nous avons un modèle de remplacement en stock contactez nous par mail de préférence remplissant le tableau à la fin de cette page. | ||||||||||||
|
la crémone GU G-15722.13 FFH 1100 – 1350 D 500 - 1 galet |
cette crémone n'existe plus mais nous avons un modèle de remplacement en stock contactez nous par mail de préférence remplissant le tableau à la fin de cette page. | ||||||||||||
|
la crémone GU G-15722.16 FFH 1350 – 1600 D 600 - 1 galet |
cette crémone n'existe plus mais nous avons un modèle de remplacement en stock contactez nous par mail de préférence remplissant le tableau à la fin de cette page. | ||||||||||||
|
la crémone GU G-15722.18 FFH 1600 – 1850 D 600 2 galets |
cette crémone n'existe plus mais nous avons un modèle de remplacement en stock contactez nous par mail de préférence remplissant le tableau à la fin de cette page | ||||||||||||
|
la crémone Ferco G 15722.21 HFF 1850 - 2100 D980 2 galets |
cette crémone n'existe plus mais nous avons un modèle de remplacement en stock contactez nous par mail de préférence remplissant le tableau à la fin de cette page. |
||||||||||||
|
la crémone Ferco G 15722.23 HFF 2100 - 2300 D980 2 galets |
cette crémone n'existe plus mais nous avons un modèle de remplacement en stock contactez nous par mail de préférence remplissant le tableau à la fin de cette page. | ||||||||||||
|
la crémone Ferco G 15722.28 HFF 1600 - 1850 D 600 - 2 galets |
cette crémone n'existe plus mais nous avons un modèle de remplacement en stock contactez nous par mail de préférence remplissant le tableau à la fin de cette page. | ||||||||||||
|
la crémone Ferco G 15722.31 HFF 1850 - 2100 D 600 - 2 galets |
cette crémone n'existe plus mais nous avons un modèle de remplacement en stock contactez nous par mail de préférence remplissant le tableau à la fin de cette page. cette serrure n'existe plus elle est remplacée par la G-20465-14-0-1 |
||||||||||||
|
la crémone GU G-15722.36 FFH 1350 – 1600 D 500 - 1 galet |
cette crémone n'existe plus mais nous avons un modèle de remplacement en stock contactez nous par mail de préférence remplissant le tableau à la fin de cette
|
||||||||||||
|
la crémone à barillet Ferco G 15775-18-0 axe 28 mm 2 galets |
cette crémone n'existe plus mais nous avons un modèle de remplacement en stock contactez nous par mail de préférence remplissant le tableau à la fin de cette page. G-22675-20-0-1 code 095082 | ||||||||||||
|
la crémone Ferco E-20437 - inscrit derrière 20439-10 ( inscrit derrière 20459.10 ) 1850 - 2100 D980 |
cette crémone n'existe plus mais nous avons un modèle de remplacement en stock contactez nous par mail de préférence remplissant le tableau à la fin de cette page. en faîte c'est la référence du nouveau coffre désaxé voir G 20461 etc.. suivant cote D prendre la recoupable 1851-2100 D 980 code 095 326 |
||||||||||||
|
la crémone Ferco E-20437 - inscrit derrière 20439-05 D 400 |
|||||||||||||
|
la crémone Ferco E-20437 - inscrit derrière 20439-07 crémone de fenêtre PVC de 1,40 m 1galet D600 |
cette crémone n'existe plus mais nous avons un modèle de remplacement en stock contactez nous par mail de préférence remplissant le tableau à la fin de cette page. en faîte c'est la référence du nouveau coffre désaxé voir G 20461 etc.. suivant cote D prendre la recoupable |
||||||||||||
|
la crémone Ferco E-20437 - inscrit derrière 20439-06 crémone de fenêtre PVC 1101-1350 1galet ou 1351-1600 et 1601-1850 avec 2 galets D500 |
cette crémone n'existe plus mais nous avons un modèle de remplacement en
stock contactez nous par mail de
préférence ce sont les recoupables 1101-1350 |
||||||||||||
|
la crémone E 20437 donner nous la cote D le nombre de galet sur la crémone de la crémone uniquement et la longueur de la crémone uniquement |
cette crémone existe encore nous l'avons en stock contactez nous par
mail de préférence remplissant le tableau à la fin de cette page. en faîte c'est la référence du nouveau coffre désaxé voir G 20461 etc.. suivant cote D |
||||||||||||
|
la crémone E 20463-10 ( 20463-10 référence inscrit derrière) Cote D 980mm 2 galets H 1479 mm
la crémone E 20463-09 ( 20463-09 référence inscrit derrière) GR.09 Cote D 800mm 2 galets H 1479 mm code 0942776 |
on a cette crémone en stock en ajustable avec prolongateur ( 20463-10 référence inscrit derrière) en fait c'est la G- 20461-10-0-1) | ||||||||||||
|
la crémone à barillet Ferco 115 10.22 axe à 25mm cote D 1028 longueur total 2200 |
cette serrure n'existe plus mais nous avons un modèle de remplacement en stock contactez nous par mail de préférence remplissant le tableau à la fin de cette page. elle peu être remplacée par la crémone à barillet ajustable G-22782-15-0-1 mais son axe passe de 25 à 28mm et la profondeur du coffre à 5mm de plus + un prolongateur de 870mm |
||||||||||||
|
Crémone Ferco 13444-09 ou 134409 ou GU 13 444.09 cote D 700
Crémone Ferco 13444-10 ou 134410 ou GU 13 444.10 cote D 600 Longueur 979mm Remplacée par la Jet 7.5 AjustableG-20461-07-0-1 code 092 218 p411 Crémone Ferco 13444.15 ou 134415 ou 13444-15 (ou inscrit derrière E 15157 ) Longueur 1479mm cote D 980
Crémone Ferco 13444.62 ou GU 13444.52 (ou inscrit derrière 18458-62) Longueur 729mm cote D 500 Remplacée par la Jet 7.5 AjustableG-20461-06-0-1 code 092 211 page 411 Crémone ajustable Ferco 13444.61 Longueur 729mm cote D 400 remplacée par la Jet 7.5 AjustableG-20461-9-0-1 code 411
|
cette crémone n'existe plus mais nous avons un modèle de remplacement en stock contactez nous par mail de préférence remplissant le tableau à la fin de cette page.( donner nous les dimensions Longueur et Cote D)
Attention elle n'est pas à inverseur* il faut déplacer une des gâches intermédiaire ( ce qui est relativement facile sur du PVC)
La pièce entouré en rouge n'est pas disponible il n'existe plus de pièce détaché pour ce modèle il faut remplacer votre crémone entièrement. |
||||||||||||
|
La crémone a barillet de porte fenêtre 11510.22 axe à 25mm Longueur total 2200 côte D 1028 avec cylindre européen et panneton |
cette serrure n'existe plus mais nous avons un modèle de remplacement contactez nous par mail de préférence remplissant le tableau à la fin de cette page.: G 22682-45-0-1 + 1 prolongateur de 870mm crémone axe a 28mm côte D 1028 le panneton est remplacée par un pêne demi tour , prévoir aussi le remplacement de la gâche ou la modification de la votre le coffre fait 3 mm de plus en profondeur et il faut déplacer de 3 mm la crémone et la poignée avec les plaques (ensemble riv Bloc) |
||||||||||||
|
crémone Ferco CRV071370 et sur les deux E-20497-41. et CVR072350 E 20497-20
|
Ce produit est réservé à « Lapeyre ». Cette crémone n'existe plus mais nous avons une solution de remplacement contactez nous (pour cela il nous faut la cote D ou la hauteur de poignée , la largeur de la feuillure, la hauteur total, le nombre de galet)
|
||||||||||||
|
crémone blanche Référence C7.115 E 19611.14 ou E 19661.20
|
Cette crémone n'existe plus mais nous avons une solution de remplacement contactez nous il faut supprimé les cache en pvc de feuillure et suivant la cote D ......etc... |
||||||||||||
|
Crémone SIEGENIA pour Porte fenêtre pvc 1 seul vantaux et ouverture à la Française KV GR7 1800 2000 code D 1045 3 galets ovales pas de point haut et bas |
cette crémone n'existe plus mais nous avons une solution de remplacement
SIEGENIA PAR UNE FERCO:
CREMONE VERROU F7.5 2000-1000 |
||||||||||||
|
La crémone de porte d'entrée G 18874 |
cette serrure n'existe plus mais nous avons un modèle de remplacement en stock contactez nous par mail de préférence remplissant le tableau à la fin de cette page. Je vous propose en substitution la référence : 6-33166-01-0-1. |
||||||||||||
|
*Pour info: Bidirectionnelle ou inverseur : Bidirectionnelle les galets du haut a la fermeture monte vers le haut te les galet du bas descende vers le bas avec l'inverseur les galet du haut et du bas monte, mais dans les deux cas l'action de la crémone entraîne les pênes haut et bas vers la sortie. |
|||||||||||||
|
Crémones de coulissants |
|||||||||||||
|
crémone ref : G-18579-06 Ferco de coulissant Longueur total 600mm cote 400 mm axe 40 mm
|
en attente de renseignements | ||||||||||||
|
crémone pour oscillant coulissant en bois et alu FFH
1101-1350 |
cette crémone n'existe plus mais nous avons un modèle de remplacement contactez nous par mail de préférence remplissant le tableau à la fin de cette page.: ce produit a été remplacé par : G-22043-00-0-1
|
||||||||||||
![]() |
crémone pour porte coulissante en pvc
Elle comprend 3 points d'ancrage style crochet et un galet de verrouillage a la partie supérieure,
c'est pour une porte coulissante H2150 Ref : GU G22271-15
|
||||||||||||
| Crémone pour fenêtre coulissante G-15723-06-0 |
cette crémone pour fenêtre coulissante avec 2 crochets existe toujours on peu l'avoir sur commande spéciale crémone verrou jet 15 C.S G-15723-06-0 Tarif 2016 = 128 euros ttc il existe aussi un modèle avec 2 pannetons G 13954-06 page431 code 095886
Tarif 2016 = 128 euros ttc |
||||||||||||
|
cette crémone de coulissant GU G17700 10 est ce bien la même que G-15383-10-0-1 Réponse: Pas exactement : La crémone G-17700 avait des cales montées sous la tringle, la nouvelle n’en a pas. Il faut récupérer les cales (E-17511) de la crémone à remplacée pour les utiliser sous la nouvelle crémone
|
remplacée par la Crémone pour fenêtre coulissante G-15383-10-0-1code 095872 crémone 7.5 de coulissant GU G17700 10 longueur totale 1000 et a D 500 cette crémone n'existe plus mais nous avons une solution de remplacement
nous pouvons les avoir sur commande aux prix ttc de 125.00 euros pièce Tarif 2014 prix pour 2 crémones = 175.50 euros Tarif 2014 prix pour 5 crémones = 299.50 euros Tarif 2014 prix pour 10 crémone = 530 euros Tarif 2014 |
||||||||||||
|
Crémone pour fenêtre coulissante G-17700-10 cette crémone n'existe plus mais nous avons un modèle de remplacement Il faut récupérer les cales (E-17511) de la crémone à remplacée pour les utiliser sous la nouvelle crémone |
crémone 7.5 de coulissant GU G17700 10 cette crémone n'existe plus mais nous avons une solution de remplacement contacter nous
il y a trois modèles différents il nous faut
la cote D et la longueur total de la crémone
La cote "D" c'est dire la dimension du bas
de la serrure à l'axe du fouillot (le carré)
exemple: 300mm ou 500mm ou 800 mm Tarif 2014 = 125 euros ttc |
||||||||||||
![]() 21173 18 COTE INTERIEUR /G. 21186.18 COTE EXTERIEUR/ GU/ E 21058 sur le fouillot
elle sont à
12.50 pièce
soit
2 gâches plot = 25€
1 gâche anti-dégondage = 12.50€
|
![]() Nouveau modèle L 1600 cote D 800 G-15386-10-0-1 |
||||||||||||
|
Crémones Oscillo-battantes |
|||||||||||||
|
CREMONE F 7,5 D 500 HFF 1101 - 1350 REF. G 13179.11.0.1 cote D 500mm
|
cette serrure n'existe plus mais nous avons un modèle de remplacement en stock contactez nous par mail de préférence remplissant le tableau à la fin de cette page G.22025.00.0.1 HFF 1101-1350 cote D 500 1 GV
|
||||||||||||
|
Crémone pour fenêtre oscillant battant GU FFH 851-1100 13179.09. |
cette crémone n'existe plus mais nous avons un modèle de remplacement contactez nous par mail de préférence remplissant le tableau à la fin de cette page.: |
||||||||||||
|
Crémones Oscillo-battantes G-13179-05 UF8-650 |
cette crémone n'existe plus mais nous avons un modèle de remplacement contactez nous par mail de préférence G-13179-05 remplacé par G-22022-00-0-1 code 093331 UF8-650 prolongateur remplacé par 6-32142-00-0-1 code 093030
|
||||||||||||
VERROUILLAGE
INFERIEUR |
Ce VERROUILLAGE INFERIEUR en stock chez nous
remplacée par le 6-33374-00-0-1 |
||||||||||||
|
Gâche centrale et divers GU, Réf
|
|||||||||||||
![]() Cette gâche est supprimée de notre programme depuis de très nombreuses années ! Il n’y a pas de stock résiduel. Pour un éventuel remplacement, vous pouvez proposer celle ci :
·
E-18980-00-0-1 :
à ajuster selon modèle en place . ou en fabriquer une en fer |
|||||||||||||
|
gâche 141711 Cette gâche a été supprimé sans remplacement. Le profil PVC pour lequel elle a été développé n’est plus commercialisé. Je peux néanmoins vous suggérer la gâche : E-18978-01-0-1 qui est adapté à ce type de profil, mais avec 2mm de compression : Donc il faut l’usiner . |
|||||||||||||
| Gâches centrale | Gâches centrale de remplacement Ferco - GU | ||||||||||||
|
Les gâches centrales référence E.15644L ou E.15644R n'existe plus chez Ferco on peu la remplacée par celle ci :GU 18254 mais il faut supprimer le plot de centrage (qui d'ailleurs ne sert à rien)
|
|||||||||||||
|
Gâche centrale GU, Réf E-15977R ou L
|
La gâche centrale
E-15977-00-R ou L est supprimé du programme de vente ( plus de stock ). Il serait possible de la remplacée par G-22897-00-R-1 mais à condition de changer la crémone aussi, par une Fercomatic ou plutôt par celle ci dessus |
||||||||||||
|
Gâche centrale GU, Réf E20664-00-L-1 ou E20664-00-R-1 |
La gâche E-20664-00-L-1 cette gâche n'existe plus, nous avons un modèle de remplacement en stock contactez nous |
elle est remplacé par la E-22870-00-L-1 ou 22870-00-R-1
|
|||||||||||
N° inscrit sur la gâche :93764307L |
on peu l'avoir sur commande spécial au prix de
92.00 euros ttc
délai 3/4 semaines
GACHE CENTRALE REGLABLE 6-34056-08-L-1 (source Ferco) |
||||||||||||
![]()
La gâche pour une fenêtre en PVC GU
référence au dos de la pièce E 16008 elle est remplacée par un autre modèle
qui ce met à la place et que l'on peu avoir sur commande .
|
les gaches G-U E16008
sont maintenant remplacée par =
9-30146-11-0-1 9-30146 Il n’y pas d’autre produit celui-ci se rapproche le plus mais demande un léger usinage sinon il faut changer la menuiserie |
||||||||||||
|
Cette gâche G17822 de déclenchement n’existe plus et n’a pas été remplacée
Nous avons cette gache de remplacemen en stock au prix de 68 euros ttc + le port 9.50€
|
La gâche G 1165 est un produit de chez Gimm, pas une production Ferco. |
||||||||||||
|
Gâche centrale pour porte pvc GU, Réf E 18253 01 G 18254 |
La gâche centrale que vous
avez à remplacée est une gâche centrale Fercomatic ancien model.
GACHE CENTRALE
G-18254-31-L-1 Feuillure 18x8, Gauche, G-18254-31-R-1 Feuillure 18x8, Droite |
par la gâche central G-17036-00-R-1 ou L Il faut enlever le plot de centrage existant sur votre serrure |
![]() ![]() cette gâche central n'existe plus chez FERCO vous pouvez la remplacer par un autre modèle en stock chez nous contactez nous. Il faut enlever le plot de centrage existant sur votre serrure modèle de gauche |
||||||||||
|
E-18253-01 E18253-01 G 18254 les deux modèles sont similaires sauf quelles ont des tallons différent suivant le profil pvc les gâches Ferco E 18253.02 - L/R et les gache ferco 18253-01-L/R
qui sont prévus
avec des ergots a l'arrière pour entrer dans les profils en pvc ne ce fo la remplaçante est plate disponible chez nous la gâches tiendra par les vis uniquement.
|
|||||||||||||
E20665R ou
E20665L
on peu avoir cette gâche sur commande
spéciale au prix de 68 euros ttc + le port
delais 3/4 semaines
la réf. E-20665-00-R-1 fait toujours partie du programme Ferco |
|||||||||||||
|
la remplaçante est plate disponible chez nous la gâches tiendra par les vis uniquement. G-18254-31-L/R-1 (source Ferco)
|
|||||||||||||
|
La gâche E20664L ou E20664R n'existe plus mais nous avons un modèle de remplacement en stock qui ce monte en lieu et place voir ci dessous, contactez nous.
|
E-22elvice870-00-L-1. | ||||||||||||
![]() Gâche centrale Ferco E-21395 |
Gâche centrale Ferco E-21395
Dimensions : 208 x 17 x 8,5 mm. ou celle ci
Dimensions : 190 x 17 x 8,5/4 G-22873-07-L/R-1 |
||||||||||||
|
L 230 mm Largeur 23 mm épaisseur 19mm Cette gâche n’est plus fabriqué depuis environ 20 ans. C’était un produit spécifique à la Sté Grégoire, donc le remplacement par un produit standard ne pourra pas se faire. |
|||||||||||||
|
(il faut supprimé le galet fixe qui est sur votre serrure si il y en a un) G-17036-00-R-1, Droite, 190 x 18 x 13 mm G-17036-00-L-1, Gauche, 190 x 18 x 13 mm A défoncer pour crémone Fercomatic. A butée de déclenchement réglable. Axe têtière à 9 mm. |
|||||||||||||
|
Cette gâche 16664 ( à gauche) n'existe plus elle est remplacée par celle ci de droite qui porte la mêmes référence 16664 G-16664-00-L-1 ou G-16664-00-R-1 inscrit sur la gâche G-16664 Tarif 2016 = 65.00 euros ttc
|
![]() ![]() |
||||||||||||
|
hauteur 160 mm Largeur 20 mm épaisseur 8 mm entraxe des trous 145mm Gâche centrale ...........indiquer derrière 62100 cette gâche n'est pas du Ferco (nous pouvons en re-fabriquer en fer)
mais on peu la remplacée par un autre modèle mais il faudra peu être entailler dans la bois elle doit être plus haute 188 x 18 x 13 |
|||||||||||||
|
Gâche G-14696-00-0-1 Cet article n’existe plus dans leur programme !
|
|||||||||||||
|
Cette gâche Loquet Ferco GU 939224-02 n'existe plus mais on peu la Remplacé par une autre modèle contactez nous
|
|||||||||||||
| Cette gâche Loquet Ferco n'existe plus Remplacé par 6-29892-02-0-1 délai 3/4 semaines 95.00e + port Ou prendre code N°11 - 101 150 et coupé les talons | |||||||||||||
|
Fermeture de coulissant alu OSIRIS référence
G14500
elle n'existe plus
d'après le fabricant FERCO cette référence ne ce fait plus et n'a pas été remplacée Pour SAV vous pouvez remplacée cette fermeture par celle ci "SILENE" VOIR ICI sur commande chez nous délai 2/3 jours pau age 402-galaiscgf page603 page440ou532fousier
Prix 2015 = 75.00 euros ttc Spécifique à la rénovation de coulissants pour menuiserie aluminium. coloris gris , blanc, noir
|
cliquez dessus pour agrandir pour info cette serrure n'existe plus |
Fermeture
Silene |
|||||||||||
![]() |
|||||||||||||
| Renvois de fouillot inconnu voir si on peut le remplacer par celui de droite | |||||||||||||
![]() |
![]() ou celui ci dessous
|
||||||||||||
![]() ![]() ![]() ![]() |
Crémone pour fenêtre et porte fenêtre en PVC de la marque SAFERM
Cette crémone était un produit de Ferco. Pour le remplacement vous pouvez mettre une crémone en applique ou apportez nous votre fenêtre nous avons une solution de remplacement avec crémone encastrable.
|
||||||||||||
![]() |
Cette crémone n'est plus fabriquée, | ||||||||||||
![]() |
Crémone de marque Gilro pour
fenêtre en bois, Dimension du coffre L 205 x 30 Épaisseur 12 mm. Axe du fouillot 13 mm. Tringle 8x4 mm.
profil en U en alu pour habiller la tringle.
fenêtre bois ou PVC ? |
||||||||||||
![]() |
Crémone serrure de marque GILRO T173 pour porte fenêtre en bois de 1979, Hauteur totale est 27,7 cm. Le centre du trou de la poignée se trouve à 13,5 cm du bas. n'existe plus |
||||||||||||
![]() ![]()
|
crémones ferco Gimm C7006 Cette crémone était un produit de Ferco. on peu la remplacé avec quelques modifications par celle ci les modifications sont a faire sur place sur la fenêtre peut être couper un peu les tringles et entailler la têtière
Type 776
boîtier : 150 x 27 x 6 mm. course tringles : 16
mm. |
||||||||||||
![]()
|
crémone à larder avec les cotes, pour une porte fenêtre en bois de la marque Ferco cette crémone n'existe plus et n’a pas de remplacement. mais il nous en reste 2 en stock au prix de 88 euros ttc pièce (2017) épaisseur 10 mm avec panneton
|
||||||||||||
|
Modèle sans panneton crémone à larder avec les cotes, pour une porte fenêtre en bois de la marque Ferco cette crémone n'existe plus |
|||||||||||||
![]() ![]() Crémone de fenêtre en bois |
nous n'avons pas ce produit il faut adapter celle-ci CREMONE à LARDER 2048 boîtier : 203 x 30 x 6 mm. course tringles : 18 mm. fouillot carré de 7 mm. axe du fouillot à 10 mm. 22 mm de large en partie haute et bas ou poser une crémone en applique |
![]() |
|||||||||||
Gillet DC2 |
|||||||||||||
35mm de
largeur et 140 mm de longueur |
Crémone à doigt n'est pas du Ferco, cette crémone n'existe plus |
||||||||||||
|
une gâche central Gimm 1094 (photo attaché) pour porte fenêtre en bois. |
nous n'avons pas cette gâche mais on peu en fabriqué une au prix de 80 euros
ttc + 8.50 de port (Tarif 2012)
|
||||||||||||
| gâche G 2094 |
Il ne s’agit pas d’un produit FERCO ! il s’agit probablement d’un produit spécifique « LAPEYRE » ?
réponse de : Michel Guillebault Agent technico-commercial |
||||||||||||
|
crémone pour porte fenêtre en PVC
G-21185-05 = pas de renseignements
pour le moment sur cette serrure mais il y a de forte chance pour quelle n'existe plus |
|||||||||||||
|
ferrures soulevantes/coulissantes g-u 936h Crémone Ferco 936H |
|||||||||||||
|
Cette crémone Ferco n'existe plus chez Ferco, mais nous avons une crémone de replacement voir ici |
|||||||||||||
![]() |
|||||||||||||
| E-12087 E- 7390 E-11792 ces gâches on été supprimé (sans remplacement) du programme de vente Ferco | |||||||||||||
![]() |
Gâche réversible E 11860 cette gâche existe toujours
|
||||||||||||
| Gâche E-11352 = cette gâche n'existe plus et il n'y a pas d'équivalent de remplacement | |||||||||||||
|
Crémone de PORTE FENETRE COULISSANTE GU |
||
![]()
Question 1 (Nature de l'ouvrant (bois, pvc, alu) = BOIS Question 2 (Menuiserie) = PORTE FENETRE COULISSANTE Question 3 (Fournisseur) = NE SAIS PAS (GU pour la Crémone) Question 4 (Définition de l'ouvrant) = 2 VANTAUX DONT UN COULISSANT Question 5 (Ajustable ou recoupable, entière) = VOIR PHOTOS Question 6 (axe du carré) = AXE DU CARRE A CONFIRMER, CARRE DE 11 ou 12 mm Question 7 (Cylindre Européen ?) = NON Question 8 (Entraxe) = 0 mm Question 9 (Largeur de têtière) = PAS DE TETIERE MAIS UNE TIGE FILETEE AU BOUT POUR LA FIXATION SUR CHARRIOT Question 10 (Hauteur total de la crémone) = 970 mm Question 11 (Cote "D" ou hauteur de poignée) = ENVIRON 840 mm Question 12 (Nombre galet ?) = SANS GALET, AVEC UN CROCHET Question 13 (Point haut et bas ?) = POINT BAS SEULEMENT Question 14 (Relevage ou automatique ?) = RELEVAGE (PAR 1/2 TOUR DE POIGNEE) Question 15 (Penne dormant ?) = NON Question 16 (Demi tour ?) = OUI CROCHET QUI MONTE ET DESCEND Question 17 (Panneton ?) = NON Question 18 (Croquis/photos) = Question 19 (indiquer tout ce qui est graver dessus) = ? Question 20 (Fabriquant ?) = GU
|
Ancien logo GU |
![]() ![]() |
|
La réponse d'un représentant Ferco : Ce produit était vendu par GU avant la création du groupe GU/Ferco/BKS. La production de cette ferrure (GU 931) remonte à plus de 40 ans. ( 1970) Il va sans dire que le remplacement de cette crémone est impossible.
|
||
|
La mienne de réponse : Impossible n'est pas français, il faudrait essayer d'adapter une autre serrure en applique et non plus encastré , avec fermeture haute et basse ou une serrure à crochet a larder
SERRURE AVEC CROCHET A MENTONNET PETIT COFFRE Descriptif produit 019292 Coffre acier bichromaté. Entraxe : 72 mm. Dimensions : 120 x 53 mm. Têtière : 188 x 25 x 3 mm ou SERRURE CAVERS STYL'BARR
. |
||
les crémones inconnues
|
Cette crémone n'est pas de marque Ferco mais nous avons un modèle de remplacement en stock, il faut faire quelques ajustements sur la fenêtre, la têtière fait 16 mm de largeur vous pouvez nous apporter votre fenêtre pour faire le remplacement,ou contacter nous pour plus de renseignements. |
c'est une axe à 17 mm donc remplacer par une F15 ajustable au 2 bouts a panneton + 2 prols ou une f15 ajust Dfixe
Nous donner la cote D ( hauteur de poignée) et la hauteur total , il faut juste entailler le coffre en hauteur pour laisser passer le nouveau de la F17. 128 euros + 90 ttc (2016)de modif si modif |
|
|
Nous
ne connaissons pas ce produit (Hauteur total de la crémone) = 140 mm |
crémone des années 1980 = Inconnue |
|
![]() |
crémone pour porte fenêtre sans marque axe à 15 mm avec 1 panneton et un point haut et bas Cote D 980 longueur total 1870mm têtière de 16 mm Cette crémone n'existe plus mais nous avons un modèle de remplacement
je peut vous proposez une crémone en
ajustable qui ira a la place mais l'axe est à 17 mm il faut donc déplacer
les trous de 2mm
elle est livré avec 2 prolongateurs 1 pour le
haut et 1 pour le bas qu'ils faudra recouper
|
|
|
Cette Crémone est universelle, elle est ajustable en partie haute et basse par
prolongateur. Elle dispose d'un verrouillage haut et bas et d'un panneton
central. Têtière de 16 x 2,5 mm. Fouillot carré de 7 mm, axe à 17 mm. Le
boîtier mesure 130 x 29 x 12 mm. Il est nécessaire de prévoir deux prolongateurs |
|
|
crémone pour porte fenêtre sans marque ou de marque Simpa axe à 25 ou 28 mm fermeture Haut et Bas longueur total 2100 cote D980 mm têtière de 16 mm cette crémone n'existe plus
je peu vous proposez celle ci en ajustable avec deux prolongateurs avec galet mais pas sur qu'il tombe au bon endroit et l'axe est 17 mm il faut donc déplacer les trous de la poignée de 8 mm |
|
Pour le cas ou il y a des galets et pour qu'il retombe au mêmes emplacement, on peu aussi couper et ressouder sur les anciennes tringle un bout de crémaillère qui viendra ce mettre sur la nouvelle crémone en axe à 17 mm. crémaillère que l'on vient souder sur vos ancienne trigle que l'on a préalablement coupé au bonnes dimensions
|
|
|
|
|
|
|
|
|
il existe des modèles de crémones en axe a 17/25/31mm mais sans les points hauts et bas voir ici http://dominique.chiaretto.free.fr/1876.htm
vous pouvez coupez la partie centrale de la crémone Massard qui est en axe a 17/25 ou 31mm et ressouder les tringle hautes et basse dessus et vous avez la même crémone |
|
|
Ferco/GU coulissant à translation |
|
![]() |
![]() |
|
La référence (9-38514) concerne un composant du chariot avant pour une ferrure de coulissant à translation GU966 ! Pour déterminer le modèle, il faut impérativement connaître la hauteur du rail de roulement, à savoir :
· 33mm = GU966/150 o Soit : 1 x Boite Sabots GU966/150 · 43mm = GU966/200 o Soit : 1 x Boite Sabots GU966/200
Sens Gauche L ou droite R
Bonjour,ok merci le prix (2016) est de 199.00
euros ttc Boite Sabots GU966/150 + le port 28.00 euros ttc
|
La référence GU 38514-L. ou GU 38528-R |
Ferco/GU coulissant à translation GU966 ancienne génération, il n'existe plus
GU 29904.2 R (droite) |
Ici à gauche le chariot GU 29904.2 il s’agit d’un composant d’un chariot de coulissant à translation GU966 ancienne génération ! Pour un éventuel remplacement, afin de déterminer le modèle concerné, il faut impérativement connaître : • Hauteur Rail de roulement : 33mm ou 43mm ? • Sens d’ouverture : ? Il faudra changer les 2 chariots ainsi que les accessoires.(cache etc....) |
Ferco/GU Soulevant coulissant
|
GU 936 ou GR 935
5-21298-20-01- 1175-2130 mm cette serrure n'existe plus mais on peut la remplacer par le nouveau modèle ci-dessous ainsi que les sabot
Sur les anciens sabots la tringle de liaison est plate Sur les nouveaux sabot elle ronde en 8 mm
Pour le remplacement il faut prévoir une boite sabot GU 937 + la crémone serrure 934/937 + une tringle de liaison en fer rond diamètre 8 mm Longueurs 1100/1350/1850/3300
il faut démonter votre crémone pour voir la
référence exacte qui doit inscrit sur une étiquette, si c'est la 936 qui n'existe plus, on peut la remplacer par la GU 934 ou 937 mais il faut aussi changer les sabots et la tringle de liaison
Ensuite il nous faut la hauteur total
La hauteur de poignée 410 ou 1010 mm
L'axe du fouillot 27.5 ou 37.5 mm
La largeur de votre baie
Attention les nouveaux sabots 934/937 ne font pas la même largeur ni la même Hauteur
GU 937 H
GU 934 H
|
En haut ancien et nouveau modèle en bas de transmission au chariot bas
Image supérieure: axe 37.5 Tarif ttc 2015 crémone GU 936 prix 220 euros ttc Sabot 155.00 euros + port |
| Roulettes pour porte fenêtre coulissant pvc. référence:GU Ferco G.15.955.13 |
Cette référence est supprimée du programme Ferco depuis des décennies ! Pour un éventuel remplacement, il faut préconiser un autre modèle : · Chariot ROLL LINE Fixe G-19805-21-0-6 · Chariot ROLL LINE Réglable G-19797-21-0-6 Il fait considérer un chariot de chaque modèle par vantail. |
Roulettes pour porte fenêtre coulissant pvc. référence:GU Ferco Ref : G 15.955.11 ![]() |
idem que ci-dessus Chariot ROLL LINE Réglable 50 et 120 KG Chariot ROLL LINE Fixe 50 et 120 KG |
|
|
Mécanisme Orfea de porte fenêtre coulissante le modèle sans barillet n'existe plus
longueur 850mm de l'axe du fouillot au bas du coffre bas 680mm |
![]() |
|
|
Mécanisme Orfea de porte fenêtre coulissante a barillet Longueur 1087 mm de l'axe du fouillot au bas du coffre bas 775mm 1 de disponible |
![]() |
Vous recherchez une serrure ou une Gâche FERCO ou GU etc... Envoyez nous les dimensions et renseignements nous la trouverons pour vous:
Sachez qu'un certain nombres de modèles ne se fabrique plus, mais pas de panique il y a toujours un modèle de remplacement ou ajustable.
La marque FERCO propose un très grand nombre de modèles, c'est pourquoi nous ne les stockons pas tous. Si vous le désirez, déposer nous votre serrure afin que nous l'identifions et commandions le même modèle ou aidez vous de l'exposer ci dessous.
Pour les serrures ajustables ont peut vous les ajuster à votre ancienne serrure dans notre atelier.
Apporter nous votre vieille serrure nous vous ajusterons la nouvelle aux dimensions de la votre
Merci de remplir ce questionnaire au mieux.
Faîte un copier coller (clic gauche glisser avec la souris) du tableau en gris/blanc, ensuite coller le tableau dans votre email et répondez dans la marge de droite.
ou copier coller le petit questionnaire ci-dessous dans votre mail et répondez aux questions en vous servant du tableau gris et blanc
Question 1 (Nature de l'ouvrant (bois, pvc, alu ?) =
Question 2 (Menuiserie porte ou fenêtre ou porte fenêtre?) =
Question 3 (Fournisseur si vous le connaissez) =
Question 4 (Définition de l'ouvrant OFou OB ou Coulissant) =
Question 5 (Est elle ajustable ou recoupable, entière) =
Question 5 bis (Avez vous en guide tringle en partie haute ?)=
Question 6 (axe du carré) =
Question 7 (Y a t'il cylindre Européen ?) =
Question 8 (Entraxe) =
Question 9 (Largeur de têtière 16/18/20mm) =
Question 10 (Hauteur total de la crémone) =
Question 11 (Cote "D" ou hauteur de poignée) =
Question 12 (Nombre galet ?) =
Question 13 (Y a t'il un point haut et bas ?) =
Question 14 (Relevage ou automatique ?) =
Question 15 (Y a t'il un pêne dormant ?) =
Question 16 (Y a t'il un demi tour ?) =
Question 17 (Y a t'il un panneton ?) =
Question 18 (Croquis/photos de la crémone complète) =
Question 19 (indiquer tout ce qui est graver dessus) =
Question 20 (Fabriquant ?) =
Question 21 (Code postal /ville?) =
Question 22 (Veuillez indiquer votre N° de téléphone SVP) =
Forfait livraison pour une crémone 42.50 euros ttc pour la France
Pour commander: Vous envoyer un chèque payable en France (à l'ordre de M. CHIARETTO) en Euros bien sur, à l'adresse suivante et dès réception nous vous envoyons le colis
(IMPORTANT : rappeler toujours le contenu de la commande et votre adresse postal et adresse mail dans votre courrier ainsi que votre numéro de téléphone )
(Très IMPORTANT : La livraison étant faite par un transporteur il est impératif qu'il y est quelqu'un chez vous pour recevoir la marchandise,
vous pouvez aussi vous faire livré sur votre lieu de travail ou chez un voisin)
Voici notre adresse: Mr CHIARETTO DOMINIQUE 19 AVENUE DU CHEMIN DE FER 95220 HERBLAY -

|
Les introuvables |
|
|
Diamètre 15mm,
longueur 50mm, Cartouche de gaz Ferco installé dans une fermeture de porte d'entrée
|
Ci-dessous la réponse du fabricant Ferco = n’existe plus et n’a pas été remplacé. Il s’agit d’une cartouche Gaz pour crémone EUROMATIC ! Il s’agissait d’une crémone automatique silencieuse. Celle-ci n’existe plus à notre programme depuis de très nombreuse années. Pour un éventuel remplacement, il faut prévoir une crémone FERCOMATIC et la gâche centrale. Pour déterminer les modèles, il faut savoir : Crémone : · Largeur Têtière : ? · Type et nombre d’organe de verrouillage : ? · Axe et entraxe fouillot : ? Gâche Centrale : · Type entaillage : ? · Sens d’ouverture : ? |


Retour produit Ferco
Conditions
générale de vente