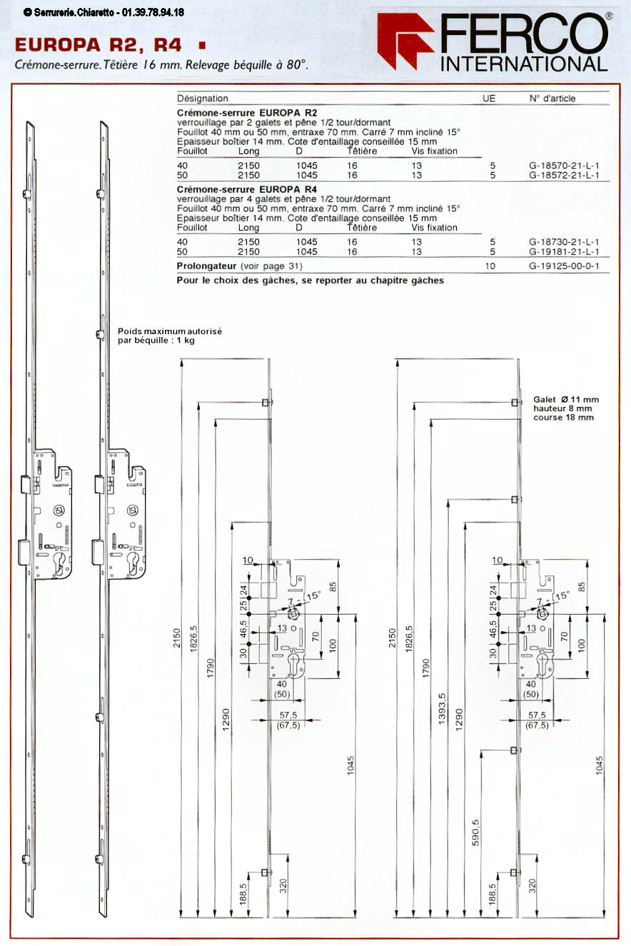
Crémone serrure EUROPA R2

Crémone serrure EUROPA   R4

 

 

Crémone serrure EUROPA R2, R4 ancien Modèle

RETOUR